丝瓜视频污片软件下载,丝瓜视频污污污色版下载,丝瓜视频污在线免费看,丝瓜视频色版APP免费下载

天津丝瓜视频污片软件下载阀门有限公司
139 2086 1487
tjoutshine@tjoutshinevalsve.com

公司产品

首页 / 公司产品 / 蝶阀 / 详情
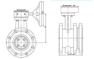
法兰伸缩蝶阀

法兰伸缩蝶阀

伸缩蝶阀是用圆形蝶板作启闭件并随阀杆转动 来开启、关闭和调节流体通道的一种阀门。伸缩蝶阀的蝶板安装于管道的直径方向。在伸缩蝶阀阀体圆柱形通道内,圆盘形蝶板绕着轴

详情

 

 

  伸缩式蝶阀是一种以圆形蝶板为启闭件,随阀杆旋转,开启、关闭和调节流体通道的阀门。伸缩蝶阀的蝶板安装在管道的直径方向。在伸缩式蝶阀阀体的圆柱形通道内,盘状蝶板绕轴线旋转,旋转角度为0 ~ 90度,旋转到90度时,阀门全开。

 

 

 

 

 

 

[[TD-Recommended Products]]

    网站地图