产品介绍:
该阀体积小,重量轻,可作为各种介质管道中的截流和流量调节装置。通过选用不同材质的阀板和密封座,板与轴之间无销钉连接,可用于工况较差的场合,如脱硫、真空、海水淡化系统等。
该阀适用于石油、化工、食品、医药、造纸、水电、船舶、给排水、冶炼、能源等系统的管道,可作为各种腐蚀性和非腐蚀性气体、液体、半流体和固体粉末管道和容器上的调节和截流设备。
产品特性:
小巧轻便,易于拆卸和维护,可安装在任何位置。
2.结构简单紧凑,90度快速开合。
3.操作扭矩小,省力,重量轻。
4、达到完全密封,气体试验泄漏为零。
5.选择不同的零件和材料,可用于多种介质。
6.流动特性趋于平直,具有良好的调节性能。
7.启闭试验次数上万次,使用寿命长。
8.所有使用闸阀、截止阀、旋塞、软管阀和隔膜阀的管道都可以用这种阀门代替,订购时可以提供辅助管道(请在合同中说明)。
产品小样:
产品参数:
主要性能参数: | |
公称压力 | PN 1.0/1.6Mpa |
适用温度 | ≤120℃ |
适用介质 | 水、空气、食品、油品 |
主要零部件 | 阀体、阀瓣、阀杆、阀座、转轴 |
主要材料 | 铸铁、球墨铸铁、碳钢、不锈钢 |
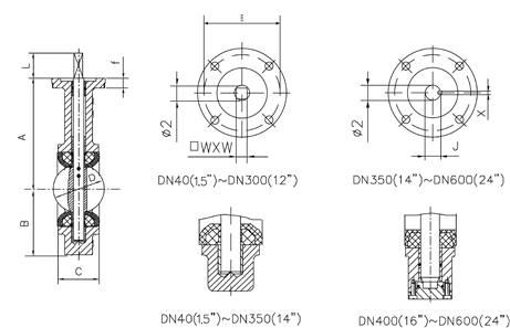
规格DN | A | B | C | D | L | D1 | D2 | Φ1 | Φk | E | R1 | R2 | Φ2 | f | J | X | W*W | 重量 |
(PN10) | (PN16) | Weight(kg) | ||||||||||||||||
32 | 125 | 73 | 32.9 | 35.8 | 32 | 100 | 100 | 7 | 65 | 50 | R9.5 | R9.5 | 12.6 | 10 | 9*9 | 1.6 | ||
40 | 125 | 73 | 33 | 39 | 32 | 110 | 110 | 7 | 65 | 50 | R9.5 | R9.5 | 12.6 | 10 | 9*9 | 1.8 | ||
50 | 125 | 73 | 43 | 52 | 32 | 125 | 125 | 7 | 65 | 50 | R9.5 | R9.5 | 12.6 | 10 | 9*9 | 2.3 | ||
65 | 136 | 82 | 46 | 64 | 32 | 145 | 145 | 7 | 65 | 50 | R9.5 | R9.5 | 12.6 | 10 | 9*9 | 3 | ||
80 | 142 | 91 | 45.21 | 78 | 32 | 160 | 160 | 7 | 65 | 50 | R9.5 | R9.5 | 12.6 | 10 | 9*9 | 3.7 | ||
100 | 163 | 107 | 52.07 | 104 | 32 | 180 | 180 | 10 | 90 | 70 | R9.5 | R9.5 | 15.77 | 12 | 11*11 | 5.2 | ||
125 | 176 | 127 | 55.5 | 123 | 32 | 210 | 210 | 10 | 90 | 70 | R9.5 | R9.5 | 18.92 | 12 | 14*14 | 6.8 | ||
150 | 196 | 143 | 55.75 | 155 | 32 | 240 | 240 | 10 | 90 | 70 | R11.5 | R11.5 | 18.92 | 12 | 14*14 | 8.2 | ||
200 | 228 | 170 | 60.58 | 202 | 45 | 295 | 295 | 12 | 125 | 102 | R11.5 | R11.5 | 22.1 | 15 | 17*17 | 14 | ||
250 | 258 | 204 | 68 | 250 | 45 | 350 | 355 | 12 | 125 | 102 | R11.5 | R14 | 28.45 | 15 | 22*22 | 23 | ||
300 | 292 | 240 | 76.9 | 301 | 45 | 400 | 410 | 12 | 125 | 102 | R11.5 | R14 | 31.6 | 15 | 22*22 | 32 | ||
350 | 336 | 270 | 76.17 | 333.3 | 45 | 460 | 470 | 14 | 150 | 125 | R11.5 | R14 | 31.6 | 18 | 34.6 | 8 | 43 | |
400 | 368 | 325 | 85.7 | 389.6 | 51 | 515 | 525 | 18 | 175 | 140 | R14 | R15.5 | 33.15 | 23 | 36.15 | 10 | 57 | |
450 | 400 | 356 | 104.6 | 440.5 | 51 | 565 | 585 | 18 | 175 | 140 | R14 | R14 | 38 | 23 | 10.95 | 10 | 78 | |
500 | 438 | 395 | 130.28 | 492 | 64 | 620 | 650 | 18 | 175 | 140 | R14 | R14 | 41.14 | 27 | 44.12 | 10 | 105 | |
600 | 562 | 475 | 151.36 | 593 | 70 | 725 | 770 | 22 | 210 | 165 | R15.5 | R15.5 | 50.65 | 27 | 54.62 | 16 | 192 |














