产品介绍:
铸钢球阀启闭部分(球)由阀杆驱动,并绕阀杆轴线旋转。它主要用于切断或连接管道中的介质,也可用于调节和控制流体。硬质密封V形球在其V形球芯和硬面硬质合金金属阀座之间具有很强的剪切力,特别适用于含有纤维和微小固体颗粒的介质。铸钢球阀一般分为手柄铸钢球阀、气动铸钢球阀、电动铸钢球阀、铸铁球阀、不锈钢球阀和铜球阀。该阀适用于石油、化工、食品、医药、造纸、水电、船舶、给排水、冶炼、能源等系统的管道,可作为各种腐蚀性和非腐蚀性气体、液体、半流体和固体粉末管道和容器上的调节和截流设备。
产品参数:
阀门主要用于切断、分配和改变管道中介质的流向。球阀是近年来广泛应用的一种新型阀门。它具有以下优点:
1.流体阻力小,其阻力系数等于相同长度管段的阻力系数。
2.结构简单,体积小,重量轻。
3.紧密可靠。目前,球阀的密封面材料广泛应用于塑料中,具有良好的密封性能,在真空系统中也得到了广泛的应用。
4.操作简单,开合迅速,从全开到全关只需90旋转,便于遥控。
5.维修方便,球阀结构简单,密封圈一般可移动,拆卸更换方便。
6.全开或全关时,球体和阀座的密封面与介质隔离,介质通过时,阀门密封面不会被侵蚀。
7.应用范围广,直径从几毫米到几米,从高真空到高压。
球阀已广泛应用于石油、化工、发电、造纸、原子能、航空、火箭等部门,以及人们的日常生活。
产品小样:

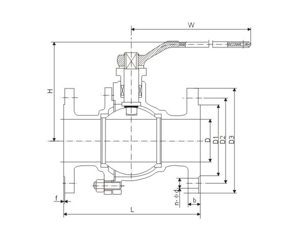
法兰球阀安装尺寸:
1.6MPa
| DN
| L
| D
| D1
| D2
| b
| n-φd
| H
| D0
|
凸面法兰 | 15 | 130 | 95 | 65 | 45 | 14 | 4-14 | 78 | 140 |
20 | 140 | 105 | 75 | 55 | 14 | 4-14 | 84 | 160 | |
25 | 150 | 115 | 85 | 65 | 14 | 4-14 | 95 | 180 | |
32 | 165 | 135 | 100 | 78 | 16 | 4-18 | 150 | 250 | |
40 | 180 | 145 | 110 | 85 | 16 | 4-18 | 150 | 300 | |
50 | 200 | 160 | 125 | 100 | 18 | 4-18 | 170 | 350 | |
65 | 220 | 180 | 145 | 120 | 20 | 4-18 | 195 | 350 | |
80 | 250 | 195 | 160 | 135 | 20 | 8-18 | 215 | 400 | |
100 | 280 | 215 | 180 | 155 | 20 | 8-18 | 250 | 500 | |
125 | 320 | 245 | 210 | 185 | 22 | 8-18 | 265 | 600 | |
150 | 360 | 280 | 240 | 210 | 24 | 8-23 | 270 | 800 | |
200 | 400 | 335 | 295 | 265 | 26 | 12-23 | 330 | 1200 |
法兰球阀安装尺寸:
2.5MPa
| 15
| 130
| 95
| 65
| 45
| 16 | 4-14
| 103
| 140
|
凸面法兰 | 20 | 140 | 105 | 75 | 55 | 16 | 4-14 | 112 | 160 |
25 | 150 | 115 | 85 | 65 | 16 | 4-14 | 123 | 180 | |
32 | 165 | 135 | 100 | 78 | 18 | 4-18 | 150 | 250 | |
40 | 180 | 145 | 110 | 85 | 18 | 4-18 | 156 | 300 | |
50 | 200 | 160 | 125 | 100 | 20 | 8-18 | 172 | 350 | |
65 | 220 | 180 | 145 | 120 | 22 | 8-18 | 197 | 350 | |
80 | 250 | 195 | 160 | 135 | 22 | 8-23 | 222 | 400 | |
100 | 280 | 230 | 190 | 160 | 24 | 8-23 | 253 | 500 | |
125 | 320 | 270 | 220 | 188 | 28 | 8-25 | 275 | 600 | |
150 | 360 | 300 | 250 | 218 | 30 | 8-25 | 286 | 800 | |
200 | 400 | 360 | 310 | 278 | 34 | 12-25 | 340 | 120 |













