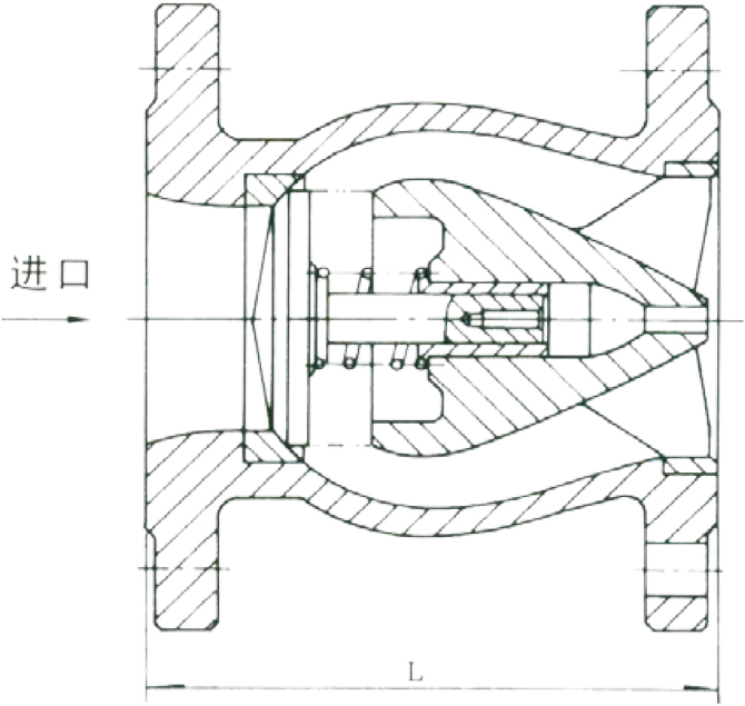
产品介绍:
止回阀用于管道系统,主要用于防止介质回流,反转泵和驱动电机,防止容器内介质排出。止回阀也可用于对为可能超过主系统压力的辅助系统提供供应的管路施加压力。水平或垂直安装均可用于冷水、热水、工业和国内污水网络,更适合潜水排污泵、介质温度0-80。可以安装在泵出口处,以防止回流和锤对泵造成损坏。
产品特性:
当介质不通过阀体流动时,阀门总是在弹簧力的作用下关闭。阀门的打开、关闭和打开大小主要取决于入口和出口端压力差异。如果入口端压力大于出口端和弹簧的总和,则阀门打开。只要有压差,阀门总是开着的,压差的大小决定阀门开着的大小。出口端压力和弹簧力的总和大于入口端时,阀门总是关闭的。因为阀门的开关在动态力平衡系统中。这个阀门不管入口端的介质变化如何,都是平衡的,没有噪音,安全故障小。
1、流线型设计的阀体内部流动路径,小水头损失。
2、合理、密封好、耐磨、寿命长。
3、导向装置,关闭灵活,阀门关闭日程短,实现阀门的快速关闭,防止巨大水击行程静音效果,运行平稳,无震动,无噪音,安全,几乎不出故障。
样品产品:

产品参数:
主要性能参数: | |
公称压力 | PN1.0/1.6/2.5Mpa |
适用温度 | ≤80℃ |
适用介质 | 水、暖通系统 |
主要零部件 | 阀体、导流体、阀座、阀瓣、弹簧 |
主要材料 | 铸铁、球墨铸铁、碳钢 |
公称通径DN(mm)
| L
|
50 | 120 |
65 | 150 |
80 | 180 |
100 | 229 |
125 | 254 |
150 | 275 |
200 | 292 |
250 | 330 |
300 | 356 |
350 | 381 |













